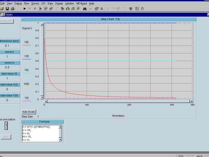
remarks: please realize that the stationary concentration value is about 0.57, the conversion is not very high!
take your browser back for previous text or:
take your browser back for previous text or:
take your browser back for previous text or:
take your browser back for previous text or:
The same in a polytropic STR

take your browser back for previous text or:
a TFR in unisim with length-slices instead of time-slices

take your browser back for previous text or:
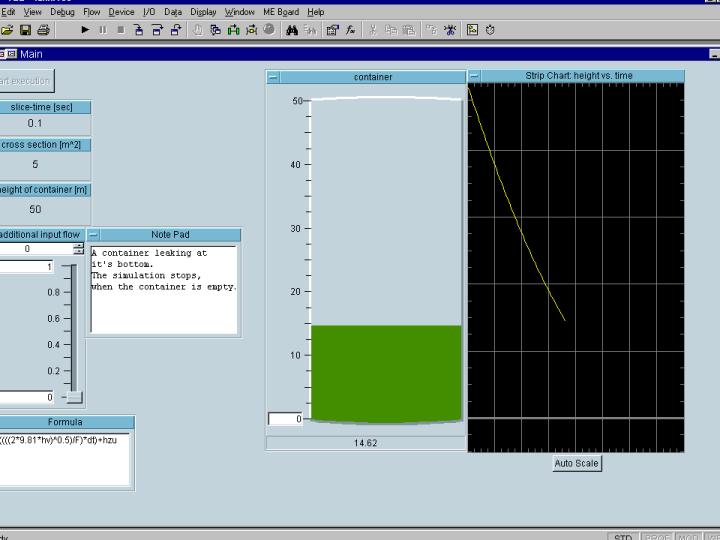
A leaking container

take your browser back for previous text or: